mars 2022
mars 2022
Abo

Non aux ombres partielles

Du photovoltaïque en façade

En 2012, Metallbau-Partner AG a installé différents éléments de production d’énergie sur son propre bâtiment. Depuis, l’entreprise a été chargée de la planification de plusieurs projets de construction métallique avec installations photovoltaïques intégrées. Cet article détaille l’expérience accumulée et les enseignements tirés.


Connexion

Merci de l’intérêt que vous portez à nos contenus. Les abonnés de la revue spécialisée metall trouveront le Login pour l’accès intégral dans les informations légales de la version imprimée actuelle. Le mot de passe change tous les mois.


Inscrivez-vous maintenant pour lire cet article. Inscrivez-vous pour lire les différents articles et payez très facilement par carte de crédit. (CHF 5.- par article)
En tant qu’utilisateur enregistré, vous pouvez accéder à tout moment à l’article acheté.

Si - en tant que professionnel dans les domaines de la construction métallique, en acier et de façades - vous n’êtes pas encore abonné à la revue spécialisée metall, ne perdez plus une seconde et souscrivez dès à présent votre abonnement ici.

Un ouvrage très réussi : le Car Terminal de Galliker Transport AG à Altishofen. Une installation photovoltaïque couvrant toute la surface du bâtiment produit de l’énergie et protège le dernier étage.
Un ouvrage très réussi : le Car Terminal de Galliker Transport AG à Altishofen. Une installation photovoltaïque couvrant toute la surface du bâtiment produit de l’énergie et protège le dernier étage.

Du photovoltaïque en façade

Non aux ombres partielles

En 2012, Metallbau-Partner AG a installé différents éléments de production d’énergie sur son propre bâtiment. Depuis, l’entreprise a été chargée de la planification de plusieurs projets de construction métallique avec installations photovoltaïques intégrées. Cet article détaille l’expérience accumulée et les enseignements tirés.

Texte : rédaction / Photos : Metallbau-Partner AG

Malgré les lois sur l’énergie, les taxes et les objectifs fixés par les gouvernements, un immense potentiel de production d’énergie reste inexploité dans le domaine des façades. Sur les bâtiments privés en particulier, de nombreuses surfaces de toit sont utilisées pour produire de l’électricité, souvent par l’ajout de structures. Dans la construction de façades, la différence de prix avec ou sans production d’énergie serait souvent moindre, car les principaux éléments de construction sont de toute façon nécessaires. Les cellules actives peuvent être utilisées comme éléments de conception et d’ombrage. Il existe aujourd’hui quelques très beaux exemples, mais ils constituent toujours l’exception et des erreurs de conception sont régulièrement observées.

Un rapport d’expérience

Ces dix dernières années, Ralf Meyer, propriétaire et directeur de Metallbau-Partner AG à Adligenswil, a réalisé et accompagné divers projets de construction métallique avec technique solaire. Il est temps pour lui de partager certaines expériences et enseignements majeurs :

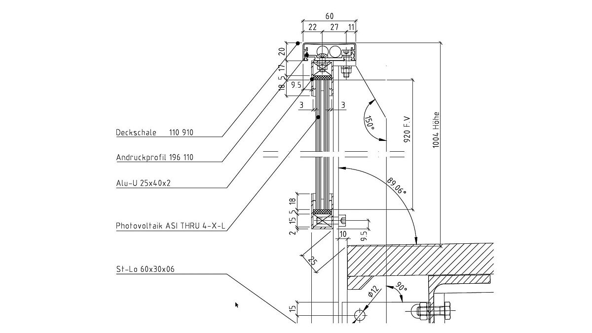
« Le Car Terminal de la société Galliker Transport AG à Altishofen est un très bel ouvrage, sur lequel nous avons pu travailler. Une construction métallique supporte les panneaux solaires et couvre le dernier étage. Son installation a posé quelques défis. Pour ne pas percer la construction en acier galvanisé à chaud, nous avons conçu un système de serrage avec profilés poteaux-traverses qui enserre les panneaux solaires.
Toute l’enveloppe extérieure devait être étanche, car ce toit protège des voitures neuves qui ne doivent pas être salies.
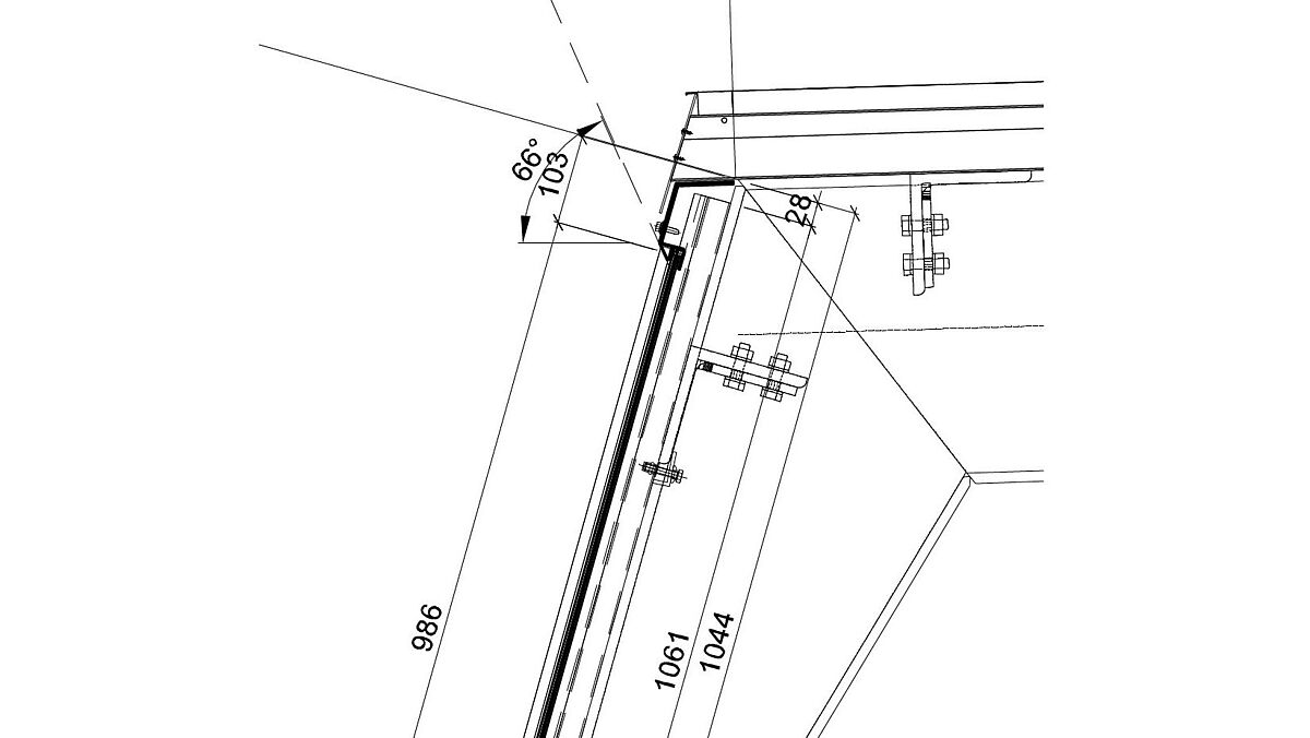
Pour la partie supérieure en tôle cintrée, on a veillé à l’absence d’ombre sur les panneaux solaires en été, lorsque le soleil est au plus haut avec une inclinaison de 66°. L’ombrage involontaire est une erreur de conception fréquente qui peut avoir une grande influence sur l’efficacité de la production d’énergie. »

Pour la partie supérieure en tôle cintrée, on a veillé à l’absence d’ombre sur les panneaux solaires en été, lorsque le soleil est au plus haut avec une inclinaison de 66°.
Pour la partie supérieure en tôle cintrée, on a veillé à l’absence d’ombre sur les panneaux solaires en été, lorsque le soleil est au plus haut avec une inclinaison de 66°.

 

Le photovoltaïque sur les garde-corps

Il y a une dizaine d’années, nous avons réalisé des balustrades avec éléments à couche mince destinées à notre siège d’Adligenswil. Elles sont partiellement transparentes (à hauteur de 20 %), ce qui réduit également la performance du panneau. Une étude préalable avait montré la bonne performance des cellules à couche mince en cas d’ombre partielle. Les mesures effectives de production d’énergie ont toutefois montré une grande différence entre les panneaux partiellement ombragés et ceux non ombragés, l’orientation des deux balustrades vers l’est et l’ouest ne s’avérant pas efficace. La production d’énergie n’est pas rentable pour un rayonnement solaire direct ne dépassant pas 3 heures par jour.

Les balustrades orientées vers l’est et l’ouest se sont révélées peu viables économiquement.
Les balustrades orientées vers l’est et l’ouest se sont révélées peu viables économiquement.

 

Le passage des câbles électriques se trouve dans la main courante composée de profilés de façade avec profil de pression et de recouvrement. La coque de recouvrement peut être retirée pour les travaux de maintenance, garantissant un libre accès aux câblages. À l’époque, des erreurs avaient été commises à la conception, faute d’expérience. Les montants de garde-corps ont été conçus à partir de deux profilés d’angle, avec barre vers l’extérieur. Nous avons rapidement remarqué que la barre projetait une ombre sur les panneaux dès que le rayonnement solaire venait en oblique, c’est pourquoi la position des montants a finalement été inversée.

 

« Les mesures effectives de production d’énergie ont toutefois montré une grande différence entre les panneaux partiellement ombragés et ceux non ombragés, l’orientation des deux balustrades vers l’est et l’ouest ne s’avérant pas efficace. » Ralf Meyer

 

Les profilés de montant en saillie doivent être orientés vers l’intérieur. Cela évite toute projection d’ombre indésirable sur les panneaux solaires.
Les profilés de montant en saillie doivent être orientés vers l’intérieur. Cela évite toute projection d’ombre indésirable sur les panneaux solaires.

 

L’ombre réduit la performance

La charge et la puissance de l’ensemble de l’installation, composée d’éléments photovoltaïques dans les balustrades, sur le toit et le jardin d’hiver, peuvent être compilées à l’aide d’un enregistreur.
Le graphique réalisé par une journée d’été sans nuages montre une chute nette de la production d’énergie. Une telle perturbation pourrait être provoquée par des arbres ou d’autres bâtiments. Ici, une cheminée d’évacuation d’air avait été montée sur le toit. Le panneau se trouvant directement derrière la cheminée avait été entièrement retiré et les chutes visibles sur le graphique étaient causées par une petite zone d’ombre sur l’élément voisin, raison pour laquelle la cheminée a malgré tout dû être transformée. Une seule petite zone d’ombre réduit considérablement la performance globale.

Un petit ombrage partiel causé par la cheminée réduit considérablement la performance totale. Elle est sans rapport avec la surface ensoleillée ou ombragée.
Un petit ombrage partiel causé par la cheminée réduit considérablement la performance totale. Elle est sans rapport avec la surface ensoleillée ou ombragée.

 

Les différentes cellules d’un élément photovoltaïque n’ont qu’une faible puissance. Elles sont branchées en série afin d’augmenter la tension. Les panneaux sont également interconnectés en série et atteignent ainsi une puissance totale allant jusqu’à 1000 volts. Ce « circuit » de l’énergie peut s’imaginer comme un tuyau d’eau : lorsque le tuyau est compressé à un endroit, le débit dans l’ensemble du système diminue.

Le graphique montre une chute nette de la production d’énergie, en raison d’un petit ombrage partiel dû à la cheminée.
Le graphique montre une chute nette de la production d’énergie, en raison d’un petit ombrage partiel dû à la cheminée.

 

Les panneaux solaires sont dotés d’un mécanisme de protection. Là où une ombre se forme, par exemple en raison d’un encrassement ou d’un objet sur l’élément, l’endroit devient chaud, car la résistance électrique augmente. Le panneau éteint alors automatiquement toute la rangée de cellules afin d’éviter qu’elles ne s’enflamment. Une salissure ponctuelle peut donc réduire d’un quart la performance d’un panneau. Les échauffements visibles à l’image thermique résultent d’un encrassement ou d’un endommagement de l’élément.

Image thermique : les échauffements sombres causés par un encrassement ou un endommagement sont bien visibles.
Image thermique : les échauffements sombres causés par un encrassement ou un endommagement sont bien visibles.

 

Autre exemple : un œuf, probablement lâché par un oiseau de proie, s’est déjà retrouvé sur notre installation, causant une nette baisse de la puissance de l’ensemble du panneau. Souvent, d’autres facteurs tels que les feuilles mortes, les fientes d’oiseaux ou les mauvaises herbes sont aussi à l’origine de tels problèmes.
L’inclinaison des panneaux couchés est relativement faible, de sorte que de l’eau s’accumule sur le bord inférieur. Les dépôts qui en résultent doivent être éliminés chaque année, ils entraînent une réduction de puissance d’environ 10 % de l’ensemble de l’installation.
Il existe des entreprises spécialisées qui nettoient chaque année les panneaux dans le cadre d’un contrat de maintenance, faute de quoi la performance est constamment réduite. Il vaut également la peine d’effectuer une inspection régulière de l’installation afin d’éliminer fréquemment les impuretés et les perturbations. Lors de la planification d’une installation photovoltaïque, y compris en façade, il faut donc impérativement tenir compte des possibilités de nettoyage. »   ■

Metallbau Partner AG
6043 Adligenswil
www.mbpag.ch