März 2022
März 2022
Abo

Teilbeschattungen aktiv verhindern

Photovoltaik in der Fassade

Die Metallbau Partner AG hat im Jahr 2012 am eigenen Gebäude verschiedene energiegewinnende Bauteile eingesetzt. Seither war die Unternehmung auch an mehreren Metallbauprojekten mit integrierten Photovoltaik-Anlagen für die Planung beauftragt. Mehr über die gemachten Erfahrungen und die gewonnenen Erkenntnisse lesen Sie im Beitrag.


Login

Danke für Ihr Interesse an unseren Inhalten. Abonnenten der Fachzeitschrift metall finden das Login für den Vollzugriff im Impressum der aktuellen Printausgabe. Das Passwort ändert monatlich.


Jetzt registrieren und lesen. Registrieren Sie sich um einzelne Artikel zu lesen und einfach per Kreditkarte zu bezahlen. (CHF 5,- pro Artikel)
Als registrierter Benutzer haben Sie jederzeit Zugriff auf Ihre gekauften Artikel.

Sollten Sie als interessierte Fachkraft im Metall-, Stahl- und Fassadenbau die Fachzeitschrift metall tatsächlich noch nicht abonniert haben, verlieren Sie keine Zeit und bestellen Sie Ihr persönliches Abonnement gleich hier.

Ein bestens gelungenes Objekt, das Car-Terminal der Galliker Transport AG in Altishofen. Eine Photovoltaik-Anlage über die gesamte Gebäude-Grundfläche führend, gewinnt Energie und schützt das Dachgeschoss.
Ein bestens gelungenes Objekt, das Car-Terminal der Galliker Transport AG in Altishofen. Eine Photovoltaik-Anlage über die gesamte Gebäude-Grundfläche führend, gewinnt Energie und schützt das Dachgeschoss.

Photovoltaik in der Fassade

Teilbeschattungen aktiv verhindern

Die Metallbau Partner AG hat im Jahr 2012 am eigenen Gebäude verschiedene energiegewinnende Bauteile eingesetzt. Seither war die Unternehmung auch an mehreren Metallbauprojekten mit integrierten Photovoltaik-Anlagen für die Planung beauftragt. Mehr über die gemachten Erfahrungen und die gewonnenen Erkenntnisse lesen Sie im Beitrag.

Text: Redaktion / Bilder: Metallbau Partner AG

Trotz Energiegesetzen, Abgaben und Zielsetzungen der Regierungen liegt im Fassadenbereich ein immenses Potential der Energiegewinnung noch immer brach. Insbesondere im privaten Bereich werden zahlreiche Dachflächen, oft durch nachträgliche Aufbauten, zur Stromgewinnung genutzt. Im Fassadenbau wäre der Preisunterschied mit oder ohne Energiegewinnung oftmals kleiner, da ja ohnehin die wichtigsten Bauteile benötigt werden. Aktive Zellen können als Gestaltungs- und Beschattungselemente verwendet werden. Mittlerweile gibt es schon einige sehr schöne Beispiele, doch bilden sie immer noch die Ausnahme und auch Konzeptfehler sind immer wieder zu beobachten.

Ein Erfahrungsbericht

Ralf Meyer, Inhaber und Geschäftsführer der Metallbau Partner AG in Adligenswil realisierte und begleitete während den vergangenen zehn Jahren diverse solartechnische Metallbauprojekte. Zeit für ihn, gewisse einschneidende Erfahrungen und Erkenntnisse offenzulegen:

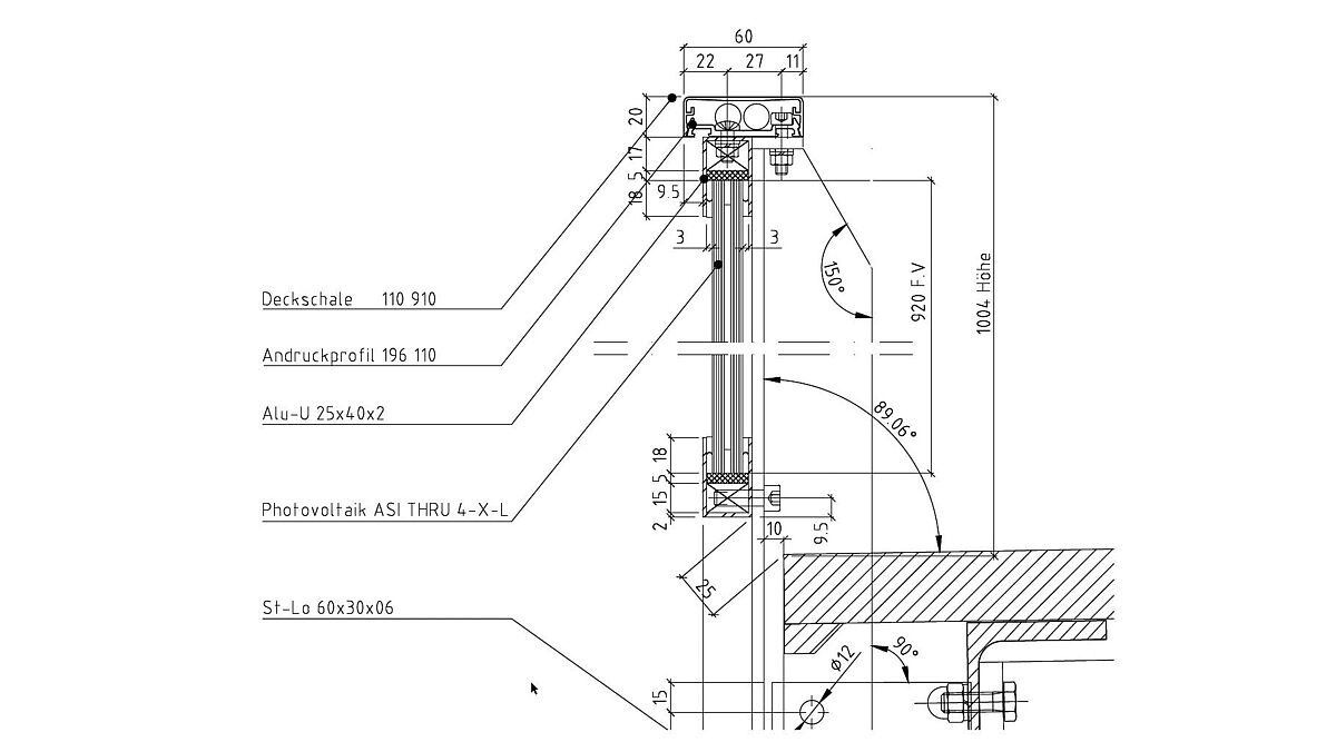
«Ein sehr schönes Objekt, an dem wir mitwirken durften, ist das Car-Terminal der Firma Galliker Transport AG in Altishofen. Eine Stahlbaukonstruktion trägt die Solarpaneele und deckt auch das Dachgeschoss ab. Hier gab es einige fordernde Details zu lösen. Um nicht in den feuerverzinkten Stahlbau bohren zu müssen, hatten wir mit Pfosten-Riegel-Profilen ein Klemmsystem entwickelt, das die Solarpaneele einfasst.
Diese ganze Aussenhaut musste wasserdicht sein, da unter diesem Dach Neuwagen stehen, die nicht verschmutzt werden dürfen.
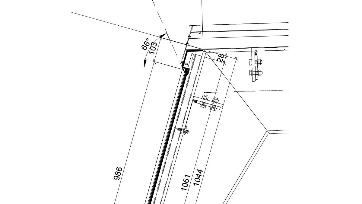
Beim oberen Abschluss aus gebogenem Blech wurde beachtet, dass im Sommer, beim höchsten Sonnenstand von 66° Neigung, kein Schattenwurf auf das Solarpaneel entsteht. Die unbeabsichtigte Beschattung ist ein häufiger Planungsfehler, der einen grossen Einfluss auf die Effizienz der Energiegewinnung haben kann.
  

Beim oberen Abschluss aus gebogenem Blech wurde beachtet, dass im Sommer, beim höchsten Sonnenstand von 66° Neigung, kein Schattenwurf auf das Solarpaneel entsteht.
Beim oberen Abschluss aus gebogenem Blech wurde beachtet, dass im Sommer, beim höchsten Sonnenstand von 66° Neigung, kein Schattenwurf auf das Solarpaneel entsteht.

 

Photovoltaik am Geländer

An unserem Firmensitz in Adligenswil hatten wir vor rund zehn Jahren Geländer mit Dünnschicht-Elementen gebaut. Diese sind teiltransparent mit etwa 20 Prozent Durchsicht, was jedoch auch die Leistung des Paneels entsprechend reduziert. Im Vorfeld getroffene Abklärungen hatten ergeben, dass Dünnschichtzellen auch eine gute Leistung im Teilschatten bringen würden. Die effektiven Messungen der Energiegewinnung jedoch zeigten, dass der Unterschied zwischen teilbeschatteten und unbeschatteten Paneelen trotzdem sehr gross ist und sich die Ausrichtung der beiden Geländer nach Ost, respektive nach West, nicht bewährt. Die Energiegewinnung mit einer direkten Sonneneinstrahlung von höchstens drei Stunden pro Tag hat sich als nicht wirtschaftlich herausgestellt. 

Die nach Ost und West ausgerichteten Geländer hatten sich als nicht wirtschaftlich herausgestellt.
Die nach Ost und West ausgerichteten Geländer hatten sich als nicht wirtschaftlich herausgestellt.

 

Die Ableitung der Stromkabel befindet sich im Handlauf, der aus Fassadenprofilen mit Druck- und Deckprofil gebaut ist. Für Wartungsarbeiten kann die Deckschale entfernt werden und der unbehinderte Zugang zu den Verkabelungen ist gewährleistet. In der Planung wurden damals – mangels Erfahrung – Fehler gemacht. Die Geländerpfosten wurden aus zwei Winkelprofilen, mit dem Steg nach aussen, geplant. Bald bemerkten wir, dass der Steg bei schräger Sonneneinstrahlung immer Schatten auf die Paneele wirft, weshalb die Pfostenkonstruktion schlussendlich umgedreht wurde.

 

«Die effektiven Messungen der Energiegewinnung jedoch zeigten, dass der Unterschied zwischen teilbeschatteten und unbeschatteten Paneelen trotzdem sehr gross ist und sich die Ausrichtung der beiden Geländer nach Ost, respektive nach West, nicht bewährt.» Ralf Meyer

 

Vorstehende Pfostenprofile müssen nach innen gerichtet sein. So wird ein unerwünschter Schattenwurf auf die Solarpaneele verhindert.
Vorstehende Pfostenprofile müssen nach innen gerichtet sein. So wird ein unerwünschter Schattenwurf auf die Solarpaneele verhindert.

 

Schatten reduziert die Leistung

Die Auslastung und Leistung der Gesamtanlage, welche aus Photovoltaik-Elementen in Geländern, auf dem Dach und am Wintergarten besteht, kann mit einem Aufzeichnungsgerät dargestellt werden.
Die Grafik, welche an einem wolkenlosen Sommertag entstanden ist, zeigt einen deutlichen Einbruch der Energiegewinnung. Eine solche Störung könnte durch Bäume oder andere Gebäude verursacht werden. In diesem Fall wurde ein Abluftkamin auf dem Dach montiert. Das direkt hinter dem Kamin liegende Paneel wurde komplett entfernt und die auf der Grafik sichtbare Einbusse wurde nur durch einen kleinen Schattenbereich am benachbarten Element verursacht, weshalb der Kamin trotzdem noch umgebaut werden musste. Auch ein kleiner Schattenbereich reduziert die Gesamtleistung markant.

Eine kleine Teilbeschattung, ausgelöst durch den Kamin, reduziert die Gesamtleistung markant. Sie steht in keinem Verhältnis zur besonnten respektive beschatteten Fläche.
Eine kleine Teilbeschattung, ausgelöst durch den Kamin, reduziert die Gesamtleistung markant. Sie steht in keinem Verhältnis zur besonnten respektive beschatteten Fläche.

 

Die einzelnen Zellen in einem Photovoltaik-Element haben nur eine geringe Leistung, diese sind in Serie hintereinandergeschaltet, damit sich die Spannung erhöht. Auch die Paneele sind seriell zusammengeschaltet und erreichen dadurch insgesamt eine Leistung von bis zu 1000 Volt. Diese «Durchschlaufung» der Energie kann man sich wie einen Wasserschlauch vorstellen, wenn der Schlauch an einer Stelle zugedrückt wird, reduziert sich der Durchfluss im Gesamtsystem.

Die Grafik zeigt einen deutlichen Einbruch der Energiegewinnung, generiert von einer kleinen Teilbeschattung durch den Kamin.
Die Grafik zeigt einen deutlichen Einbruch der Energiegewinnung, generiert von einer kleinen Teilbeschattung durch den Kamin.

 

Die Solarpaneele haben einen Schutzmechanismus eingebaut. Dort, wo ein Schatten entsteht –beispielsweise durch eine Verschmutzung oder durch einen Gegenstand auf dem Element – wird die Stelle heiss, weil sich dort der elektrische Widerstand erhöht. Das Paneel schaltet dann automatisch die ganze Reihe der Zellen aus, um ein Durchbrennen zu verhindern. Also kann eine punktuelle Verunreinigung die Leistung eines Paneels um einen Viertel reduzieren. Die im Wärmebild sichtbaren Erwärmungen resultieren aus einer Verschmutzung oder auch einer Beschädigung des Elements.

Wärmebild: Gut sichtbar sind die durch Verschmutzung oder Beschädigung entstandenen, dunklen Erwärmungen.
Wärmebild: Gut sichtbar sind die durch Verschmutzung oder Beschädigung entstandenen, dunklen Erwärmungen.

 

Ein weiteres Beispiel: Auf unserer Anlage hatten wir auch schon einmal ein Ei, das vermutlich von einem Raubvogel fallen gelassen wurde. Die Leistung des ganzen Paneels wurde dadurch weitgehend ausgeschaltet. Oft verursachen auch andere Einflüsse wie Laub, Vogelkot oder Unkraut solche Probleme.
Die Neigung der liegenden Paneele ist relativ gering, sodass sich am unteren Rand Wasser aufstaut. Die dadurch verursachten Ablagerungen müssen jedes Jahr entfernt werden, sie verursachen etwa 10% Leistungsreduktion der gesamten Anlage.
Es gibt spezialisierte Firmen, die im Rahmen eines Wartungsvertrags jährlich die Paneele reinigen, weil sich sonst die Leistung stetig reduziert. Es lohnt sich ausserdem eine regelmässige Inspektion der Anlage, um fortlaufend Schmutz und Störeinflüsse beseitigen zu können. Bei der Planung einer Photovoltaikanlage, auch im Fassadenbereich, muss also zwingend die Reinigungsmöglichkeit berücksichtigt werden.»   ■

Metallbau Partner AG
6043 Adligenswil
www.mbpag.ch

 

Das Fachregelwerk Metallbauerhandwerk – Konstruktionstechnik enthält im Kap. 1.13 wichtige Informationen zum Thema «Brandschutz».